Soluções Inovadoras

O ponto forte da Tecno Alarm, além do atendimento personalizado, da garantia do bom serviço é o diferencial das soluções personalizadas.
Às vezes o que serve para um determinado cliente ou empresa não serve para você. Parece lógico, mas no mercado nem sempre isso ocorre, por isso a Tecno Alarm faz questão de visitar o cliente para conhecê-lo e obter as infomações necessárias, para que o projeto de alarmes e monitoramento sejam eficientes.

Tenha a certeza de estar trabalhando com a empresa que mais cresce no mercado.


Conheça o excelente serviço prestado pela Tecno Alarm, entre em contato e solicite uma visita.

 
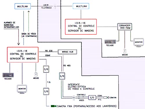
Receba um projeto completo do ambiente em que será instalado o sistema de monitoramento.

 
 
 
Possuimos uma linha completa de equipamentos de última geração, confira.